Remote CO2 Storage Safety Dual Alarm

Operating Instructions

Models: RAD-0102 & RAD-0102SX2

Table of Contents

Remote CO2 Storage Safety Dual Alarm

Operating Instructions

Models: RAD-0102 & RAD-0102SX2

Table of Contents

1. Product Instructions

2. Package Content Checklist & Main Unit View

3. LCD Display Symbols

4. SEU (Sensor Unit) Function Instructions

5. RDU (Remote Display Unit) Function Instructions

6. Safety Note

7. Caring For the Product

8. Installation Instructions

9. Customizing Settings

10 .Specifications

Voltage

Frequency

11. Relay Outputs

12. Weight & Dimensions

13. Fault Codes & Troubleshooting Guide

14. Support & Warranty

Support

Warranty

Returns

Liability

Contact us: We’re here to help!

Appendix A - Warning Signs

Appendix B - CO2 Level Standards

Appendix C - Exhaust Fan Wiring Diagram

1. Product Instructions

Thank you for selecting the RAD-0102 Remote CO2 Storage Safety Dual Alarm. It is designed to detect the presence of carbon dioxide in the ambient air to protect people in confined spaces. High concentrations of CO2 in confined spaces are dangerous, and may lead to health problems ranging from headaches and fatigue to asphyxiation and death. This CO2 Monitor includes 2 audible and visual alarms which will activate when CO2 concentrations reach the pre-set levels. Detection of high levels of CO2 will also activate 2 relays that can be used for a fan or air-conditioning system to ventilate the confined space and reduce the CO2 levels. The RAD-0102 CO2 Monitor is designed to be used in CO2 storage areas, breweries, wineries, cellars, beverage dispensing areas, and restaurants.

The RAD-0102 monitor is cost-effective and has many features:

  1. Dual Beam NDIR (Non-Dispersive Infrared) technology is used to measure CO2 concentration up to 50,000ppm (parts per million).
  2. With the SEU (Sensor Unit) and RDU (Remote Display Unit), it can connect up to 3 RDU for safety notices.
  3. Large LCD display clearly indicates ambient CO2 concentrations.
  4. 2 Relay outputs can control a fan to ventilate confined spaces.
  5. Audible and visual alarm indications.
  6. IP65 Water Proof Protection of SEU (Sensor Unit).

2. Package Content Checklist & Main Unit View

The RAD-0102 package comprises the following parts:

Main Unit:

SEU( Sensor Unit)

RDU (Remote Display Unit)

2 Panel holders

User manual

8 meters(26 feet) communication cable  


Accessories:

Plug lock

1 pcs

Screws

10pcs

Expansion plug

10 pcs

Nail cable clip

10 pcs

Warning poster

2 pcs

Strobes (RAD- 0102SX2 only)

2 pcs

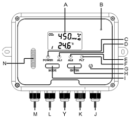
SEU (Sensor Unit)

Untitled-1

A. LCD display  

H. Enter Button

B. Buzzer

I. Mode Button

C. Green LED (Power indication)

J. Relay 2 output (red & white: NO,

Blue & white: NC)

D. Red 1 LED (AL1 )

K. Relay 1 output (red & white: NO,

Blue & white: NC)

E. Red 2 LED (AL2 )

L. Communication Cable to RDU

F. Yellow LED (Fault indication)

M. Power Supply

G. Reset Button

N. Air (CO2) entry port

N. Calibration Port RAD-0102SX2

Y. Calibration Port RAD-0102

Y. Strobe Connect RAD-0102SX2

RDU (Remote Display Unit)

O. Green LED (Power indication)

T. Mode Button

P. Red 1 LED (AL1 )

U. Enter Button

Q. Red 2 LED (AL2)

V. Buzzer

R. Yellow LED (Fault indication)

W. RJ45 Plug for next RDU (Output)

  Or strobe (RAD-0102SX2 only)

S. LCD display

X. RJ45 Plug for SEU (Input)

3. LCD Display Symbols

Symbol

Meaning

Description

CO2 Concentration ppm (Parts Per Million)

Ambient CO2 concentration

Alarm

Alarm icon

Diagnosis

Test communication between the SEU and RDU

CO2 First Alarm level

The relay will be triggered when CO2 concentration exceeds the first alarm level, the Red 1 LED will flash, and buzzer will sound.

CO2 Second Alarm level

Safety Notice “ESC” displays on LCD when CO2 concentration exceeds the second alarm level. The Red 1& Red 2 LEDs will flash, and buzzer will sound.

Calibration

To calibrate the CO2 sensor when accuracy deviates from the actual CO2 concentration.

Recover Factory Setting

To recover factory default settings and cancel any customized settings.

ESC

To indicate the CO2 leakage once the CO2 level is above the second alarm level.

Hi

The CO2 concentration is above 5%.

Fan

If CO2<Alarm1, there is no fan running;

If CO2 >Alarm1, fan will run.

4. SEU (Sensor Unit) Function Instructions

The SEU (Sensor Unit) should be placed in a room where the CO2 is likely to accumulate, such as a room where CO2 is stored, like an area with CO2 beverages. The large LCD displays the ambient CO2 concentration.

The SEU has the “DIAG”, “AL1”, “AL2”, “CALI”, and “ReFactSet” function. The “DIAG” function executes communication tests between the SEU and RDU. The user can do the calibration under the “CALI” mode when necessary. If data-setting is done incorrectly, the user can use the “ReFactSet” back to the original factory setting.

There are two “AL1” “AL2” alarm levels. The alarm levels are adjustable. The first CO2 alarm level can be set to 5,000ppm, 1%, 1.5%, or 2%. The default first alarm level is 1.5%. The second CO2 alarm level can be set to 1.5%, 2%, 2.5%, 3%, 3.5% or 4%. The default second alarm level is 3%.

When the RAD-0102 CO2 Monitor detects CO2 concentration exceeding the first alarm level, the red 1 LED will blink and the buzzer will sound intermittently, and the relay will be triggered. When CO2 concentration drops below the first alarm level, the red 1 LED will stop blinking and buzzer will stop beeping.

If the concentration of CO2 continues to rise above the second alarm level, the red 1 and red 2 LED’s will flash together and the tempo of the buzzer will increase. When CO2 concentration drops below the first alarm level the red 1 and red 2 LED’s will stop flashing and the buzzer will stop sounding. The amber FLT LED will stay lit until the device is reset, either by pressing the reset button or unplugging the AC adapter and reconnecting it. The green LED will light continuously when the power is normally supplied.

Warning: If the ambient CO2 concentration reaches the second alarm level, on SEU & RDU there will be a safety notice “ESC” displayed on the LCD. You should ventilate the space before entering the room where the SEU is placed.

If the communication cable between the SEU & RDU isn’t connected properly (for example, the communication cable is loose at the Input port) the fault LED on the SEU will blink. To fix this, reconnect the cable. If the cable is inserted into the output port on the RDU, after one minute the “Er7” will flash on the LCD. Unplug the cable and plug it into the Input port. The unit will work normally after corrective action.

5. RDU (Remote Display Unit) Function Instructions

The RDU (Remote Display Unit) should be placed outside the CO2 storage room during use. The RDU is connected to the SEU with a CAT5 cable. An 8 meter (26 ft.) cable is supplied, although up to 3 daisy-chained RDUs over 75 meters (250 ft.) using CAT5 cable has been tested. The RDU should be placed where it can be conveniently observed before entering the room where the SEU is located. The RDU is a repeater, and displays the measurements made by the SEU on an easy-to-read digital LCD along with important safety information.

The RDU has “DIAG” function. The “DIAG” can test the communication between the SEU and RDU. Resetting the RAD-0200 CO2 and O2 Monitor is only available from SEU.

6. Safety Note

Warning: Your safety is very important to us. To ensure you use the product correctly and safely, please read these warnings and the entire User Manual before using the product. Otherwise, the protection provided by the equipment may be impaired. These warnings provide important safety information and should be observed at all      times.

1. Handle the device carefully; do not subject the product to impact or shock. Otherwise, this may cause the accuracy to drift.

2. Do not place the unit or the adaptor near a heat source. Heat can cause distortion of the unit, which may result in an explosion or fire.

3. Do not touch the exposed electronic circuitry of the device under any circumstances, as there is danger of electric shocks.

4. Use only the included power adaptor. Improper power adaptors or power sources can cause serious damage to the product, or result in injury or death to the user.

5. Use the “DIAG” function to verify the communication between SEU and RDU works normally.

6. Make sure that the power adaptor is secured tightly by a plug lock so the power adapter cannot be disconnected accidently or by hand.

7. Do not enter into the room directly if there has safety notice “ESC” displayed on the LCD of SEU & RDU. Careful and protective action must be taken before entering the room where the SEU is installed.

8. Take care of cable connection between SEU and RDU. Make sure the cable from SEU is connected into the INPUT port of RDU.

9. Ensure the external power supply to a ventilation fan is tested while the relay is working. If there has no power to the fan, the relay will not turn it on, which may result in potentially dangerous high CO2 concentrations.

7. Caring For the Product

To make sure to receive the maximum benefit from using this product, please observe the follow guidelines.

  1. Repair - Do not attempt to repair the product or modify the circuitry by yourself. Please contact your local dealer or a qualified repairman if the product needs servicing, including the replacement or calibration of sensor.
  2. Cleaning - Disconnect the power before cleaning. Use a damp cloth. Do not use liquid cleaning agents such as benzene, thinner or aerosols, as these will damage the device.
  3. Maintenance – We recommend you test the communication between the SEU and RDU under ‘DIAG” function to verify the working conditions or the SEU and RDU. If the four LED’s blink and the buzzer of SEU and RDU sound simultaneously, it indicates that SEU and RDU work normally.

When the LCD displays a safety icon “ESC”, take immediate protective action to check if CO2 leakage has occurred. We suggest users to do the calibration and thorough function check at least yearly to make sure that the RAD-0102 CO2 Monitor is working properly.

8. Installation Instructions

Please carefully take out the SEU (Sensor Unit), RDU (Remote Display Unit), panel holders, network cable connector, 7 meters communication cable, user manual, plug lock, screws, expansion plugs, nail cable clips, warning paper from the package.

Step-by-Step Installation:

1. Choose a suitable location to install the SEU. Fix the panel holder on the wall with the four screws (included); the recommended installation height is about 0.45 meters (1.5 feet) from the floor and as close to the manifolds and valves as possible.

2. Put the SEU on the panel holder. Remove the Air Intake Plug.

3. Fix another panel holder in a suitable location outside the monitored space with screws (included). Push the RDU onto panel holder, and stick the warning poster next to the RDU.  

4. The communication cable is pre-wired to the SEU. Route the cable to the RDU and fixed the communication cable to the wall by nail cable clips, and then plug the cable into the input port on the RDU. Communication is now ready between the SEU and RDU.

5. The RAD-0102 CO2 Monitor has two relay outputs: The relay cable is pre-wired to the SEU. The relays can control a fan or blower to ventilate the monitored space when necessary and will be triggered when the CO2 concentration exceeds the alarm levels.

6. After finishing the installation, Connected the AC power adapter into the electrical supply outlet. Mount the Plug lock by expansion plugs so that the power adapter cannot be disconnected without use of tools.  

7. When the power has been connected, The SEU and the RDU will begin to work. Use the “DIAG“ function to verify the communication between SEU and RDU, the four LED’s will blink and buzzer will sound on SEU & RDU, after that the communication is verified, the CO2 levels will be the same on the SEU & RDU.

Mount the plug lock

9. Customizing Settings

When power has been connected, the SEU and RDU will begin to monitor the CO2 concentration and the temperature. In order to the get the timely alarm safety information or to meet personal requirements, you can customize the parameters if necessary.

Temperature ºC/ºF:

1. Press “Enter” to switch between ºC and ºF temperature

Using the DIAG function:

1. Press Mode until the “DIAG” icon flashes

2. Press Enter. the four LED’s will blink on the SEU and the buzzer will sound

3. The four LED’s will blink and buzzer will sound simultaneously on the RDU

Setting the First Alarm parameter.

1. Press Mode until the “AL1” icon flashes

2. Press Enter. the “AL1” icon shows on the LCD

3. Press Mode to go through 5,000ppm, 1%, 1.5%, and 2% alarm levels

4. Press Enter again to save your selected alarm setting

Setting the Second Alarm parameter:

1. Press Mode until the “ AL2” icon flashes

2. Press Enter. The “AL2” icon shows on LCD

3. Press Mode to go through 1.5%, 2%, 2.5%, 3%, 3.5%, & 4% alarm levels

4. Press Enter again to save your selected alarm setting

Note: The second alarm level must always be higher than the first alarm level when customizing the alarm level parameters.

Using the CO2 CALI function

Check your state or local code for mandated calibration schedule requirements. At a minimum, you should calibrate at least once a year.

There are 2 different calibration procedures depending on the altitude at which the device is to be used:

  1. 0 - 3,000 ft. (900m): Perform Zero Calibration and Span Calibration.
  2. 3,000+ ft.: Perform Zero Calibration only.

Before You Begin

1. For Zero Calibration, you will need a gas cylinder of pure nitrogen (0 ppm CO2). For Span Calibration, you will need a 2nd cylinder of 4% CO2.

2. Temporarily cover the buzzer hole in the upper right-hand corner of the SEU (sensor unit) and RDU (remote display unit) with a small piece of masking tape to minimize the alarm sound during calibration.

3.If calibration is to be performed in-situ, first inform building occupants that you will be testing the CO2 alarm for several minutes.

4.Attach included tubing between the gas cylinders and the SEU calibration port as follows:

a.RAD-0102SX2 – Connect the tubing to the supplied calibration plug and secure it over the air entry / calibration port N on the front of the SEU.

b.RAD-0102 – Connect the tubing to the calibration port on the bottom of the SEU.

a: RAD-0102SX2      b: RAD-0102

Step 1: Zero Calibration

1.Attach tubing between the nitrogen (0ppm CO2) gas cylinder and the calibration port.

2.Turn on the gas regulator. Flow rate should be between 0.15-0.3 liters per minute.

3.Wait until the CO2 reading on the SEU settles consistently at or near 0ppm CO2 on the screen.

4.Press the Mode button until the “CALI” icon flashes.

5.Press Enter to enter the “Zero” calibration mode. The “CALI” icon and “ZEro” should be displayed on the screen.

6.Press and hold the Mode button for at least 10 seconds until “Calibrating” and “CO2” are flashing simultaneously.

7.Zero calibration will begin. After approximately 5 minutes, the LCD will display either “PASS” or “FAIL”. If the LCD reads “FAIL”, repeat the steps again.

8.Press Enter. The display should now show 0ppm. Remove the nitrogen cylinder.

Step 2: Span Calibration

Warning: You must be in a well-ventilated area before starting Span Calibration. Breathing 4% CO2 gas in an enclosed area can result in dizziness, shortness of breath, or unconsciousness.

1.Attach tubing between the 4% CO2 gas cylinder and the calibration port.

2.Turn on the gas regulator. Flow rate should be between 0.15-0.3 liters per minute.

3.Wait until the CO2 reading on the SEU settles consistently at or near 4% CO2 on the screen.

4.Both Alarm 1 and Alarm 2 will sound.

5.Press the Mode button until the “CALI” icon flashes.

6.Press Enter 2 times to enter the “SPAn” calibration mode. The “CALI” icon and “SPAn” should be displayed on the screen.

7.Press and hold the Mode button for at least 10 seconds until “Calibrating” and “CO2” are flashing simultaneously.

8.Span calibration will begin. After approximately 5 minutes, the LCD will display either “PASS” or “FAIL”. If the LCD reads “FAIL”, repeat the steps again.

9.Press Enter to complete calibration. Remove the CO2 cylinder.

10.To reset the alarm, you must disconnect the SEU from the power source. Wait a few seconds, then plug it back in again.

If your unit fails either “ZEro” or “SPAn” calibration, please follow the procedure again before calling support.

 

Using the ReFactSet function:

1. Press Mode until the “ReFactSet” icon flashes.

2. Press Enter, and then press Mode to choose either “Yes” or “No”.

3. Press Enter again to save the setting after selecting.

Note: If the user sets the data or calibrates the sensor incorrectly, use the ReFactSet (recover the factory Setting) to come back the default factory setting.

10 .Specifications

CO2 & Temperature specifications:

CO2 Specifications:

Measurement Range

0 - 50,000ppm (5%) display

Display Resolution

10ppm at 0~10,000ppm;

100ppm at 10,001~50,000ppm  

Accuracy

±100ppm or ±5% of reading, whichever is greater

Repeatability

±20ppm @400ppm

Temperature Dependence

±0.2% of reading per °C or ±2ppm per °C, whichever is greater, referenced to 25°C

Pressure Dependence

0.13% of reading per mm Hg

Response Time

<60 seconds for 90% response to step change

AL1 (First Alarm Level) 

5000ppm, 1 / 1.5 / 2 % , Default AL1= 1.5%

AL2 (Second Alarm Level) 

1.5 / 2 / 2.5/ 3 / 3.5 / 4 % , Default AL2= 3%

Sound Alarm

80db@10cm

Warm-Up Time  

<60 seconds at 22°C  

Temperature Specifications:

Temperature Range

0°C to 50°C (32°F to 122°F)

Display Resolution

0.1°C (0.1°F)

Display Options

°C/°F

Accuracy

±1°C(±2°F) when CO2 concentration is below first alarm level

Response Time

20-30 minutes (case must equalize with environment)

Operating Conditions:

Operating Temperature

0°C to 40°C ( 32°F to 104°F)

Humidity Range

0 ~ 95% RH non-condensing

Storage Conditions:

Storage Temperature

-20°C to 60 °C (-4°F to 140°F)

Power Supply & Relay Output:

Power Supply

AC adapter 11220 VAC  

AC Input

Voltage

100 ~ 240 VAC

Frequency

50 / 60 Hz

Power Requirement

1 W maximum @ 115 VAC 60 Hz

2 W maximum @ 230 VAC 50 Hz

AC/DC Output

Voltage

6VDC

Power

3.0 W

Peak Input Current

0.5 A from 6 VDC

Relay Output

Two Relay output: Relay 1 operates at AL1 for CO2, Relay 2 operates at AL2 for CO2.

Peak Current< 2A@30 VDC or 250 VAC, SPDT.

11. Relay Outputs

There are two relay outputs for this meter. Relay 1 will be triggered when CO2 concentration exceeds the first alarm level. Relay 2 will be triggered when CO2 concentration exceeds the second alarm level. See SEU wiring diagram above to change either relay J or K to NO-normally open or NC-normally closed. See Appendix C for connection diagram.

12. Weight & Dimensions

Weight:  SEU (Sensor Unit): 1090 g

RDU (Remote Display Unit): 120 g

Dimensions:

SEU (Sensor Unit)

RDU (Remote Display Unit)

13. Fault Codes & Troubleshooting Guide

This section includes a list of Frequently Asked Questions for problems you may encounter with the RAD-0102 CO2 Monitor.

No

LCD Fault Icon

Description
(of the fault)

SEU Indication  

RDU Indication

Suggested Actions

1

Er3

The ambient temperature has exceeded the temperature range 0°C to 50°C ( 32°F to 122°F)

“Er3” flash Fault LED blink, Buzzer  beep  

“Er3” flash Fault LED blink, Buzzer  beep

This error will disappear when the temperature returns to the range between 0°C and 50°C ( 32°F to 122°F)

2

Er4

some wrong measurement or the sensor has exceeded its expected life

“Er4” flash

Fault LED blink, Buzzer  beep

“Er7” flash

Fault LED blink, Buzzer  beep

Please unplug the AC adapter and reconnect it. If the “Er4” always appears, please contact with the local dealer.

3

Er5

Er6

EEPROM System Problem

“Er5” & “Er6” flash, Fault LED blink, Buzzer  beep

“Er7” flash

Fault LED blink, Buzzer  beep

Please unplug the AC adapter and reconnect it. If the “Er5, Er6” always appear, please contact with the local dealer.

4

Er7

Internal Data Transmission Error

“Er7” flash, Fault LED blink, Buzzer  beep

“Er7” flash, Fault LED Blink, Buzzer  beep

Unplug the AC adapter and reconnected it.

 

Check the RJ45 plug is connected into the INPUT port of RDU if the “Er7” displays on the RDU only.

5

Er8

The accuracy of CO2 sensor may deviate from the actual CO2 concentration.

“Er8” flash Fault LED   blink, Buzzer  beep

“Er8” flash Fault LED blink, Buzzer  beep

Unplug the AC adapter and reconnect it If the “Er8” still appears, please contact with the local dealer.

Calibrate the unit, after the calibration, If the “Er8” still appears, please contact with the local dealer.

14. Support & Warranty

Support

The quickest way to obtain technical support is via email. Please send all support enquiries to support@co2meter.com. In your email, please include a clear, concise definition of the problem and any relevant troubleshooting information or steps taken so far, so we can duplicate the problem and quickly respond to your inquiry.

Warranty

This unit comes with a 1 YEAR (warranty period) limited manufacturer’s warranty, starting from the date the unit was shipped to the buyer. During this period of time, CO2Meter.com warrants our products to be free from defects in materials and workmanship when used for their intended purpose and agrees to fix or replace (at our discretion) any part or product that fails under normal use.

To take advantage of this warranty, the product must be returned to CO2Meter.com at your expense. If, after examination, we determine the product is defective, we will repair or replace it at no additional cost to you.

This warranty does not cover any products that have been subjected to misuse, neglect, accident, modifications or repairs by you or by a third party. No employee or reseller of CO2Meter.com’s products may alter this warranty verbally or in writing.

Returns

If the product fails under normal use during the warranty period, an RMA (Return Material Authorization) number must be obtained from CO2Meter.com. After the item is received, CO2Meter.com will repair or replace the item at our discretion.

To obtain an RMA number, please call CO2Meter.com at (385) 256-4910. When requesting an RMA number, please provide the reason for return and original order number.

If we determine that the product failed due to improper use (water damage, dropping, tampering, electrical damage etc.) or abuse, or if it is beyond the warranty period, we will inform you of the cost to fix or replace your device.

If you are returning your device due to a warranty claim (with an RMA number) and you still have the unit original package, please use it to ship your unit to us. Please make sure to include the provided RMA number on the outside of the box, preferably on the shipping label. Make sure you secure the unit inside the package properly to prevent any damage during transit that could void your device’s warranty. Finally, please ship your device to the address shown under the “Contact Us” section below. CO2Meter.com will not, under any circumstances, be responsible for your shipment expenses and no refund will be issued for shipping charges necessary for you to ship the unit to us.

Liability

All liabilities under this agreement shall be limited to the actual cost of the product paid to CO2Meter.com. In no event shall CO2Meter.com be liable for any incidental or consequential damages, lost profits, loss of time, lost sales or loss or damage to data, injury to person or personal property or any other indirect damages as the result of use of our products.

Contact us: We’re here to help!

If the troubleshooting guide above doesn’t help you solving your problem or for more information, please contact us using the information below.

Description: E-mail UPS support@co2meter.com

 www.co2meter.com

Ion Only

CO2Meter, Inc.

131 Business Center Drive

Ormond Beach, FL 32174

Phone: 386-872-7665 | Fax: 866-422-2356

Email: Sales@co2meter.com

Appendix A - Warning Signs

To conform with the National Boiler Inspection Code (NBIC) CO2 safety standards, 2 warning signs must be posted. You can download them here for printing:

http://co2meters.com/Documentation/Other/NBIC-CO2-Warning-Sign.pdf

Appendix B - CO2 Level Standards

CO2 level maximum standards in the US and worldwide.

For workplaces that fall under OSHA guidelines, you should monitor the display to assure that the CO2 level over an 8-hour day does is not over the 5,000ppm TWA exposure limit.

Note the 30,000ppm STEL exposure limit is the 2nd alarm level by default (3% CO2). This level can be lowered in the settings, but for worker and first-responder safety should never be raised.

25apxC-1

Appendix C - Exhaust Fan Wiring Diagram

Wiring Diagram for Alarm 1 to control 120VAC, 10A exhaust fan.